
MIL-DTL-641/4D
Inch/mm conversion chart
Inches mm
Inches mm
Inches
mm
.0020 .05
.078
1.98
.375
9.53
.005
.13
.094
2.39
.390
9.91
.010
.25
.144
3.66
.406
10.31
.015
.38
.188
4.78
.500
12.70
.020
.51
.219
5.56
.562
14.27
.030
.76
.2515 6.39
.812
20.62
.031
.79
.281
7.14
2.750
69.85
.047 1.19
.297
7.54
2.844
72.24
.062 1.57
.370
9.40
NOTES:
1. Dimensions are in inches. Unless otherwise specified, tolerance on dimensions is ±. 015.
2. Metric equivalents are given for general information only.
3. Screws shown for tip terminal and sleeve terminal are both M642/12-1.
FIGURE 1. Dimensions and configuration - Continued.
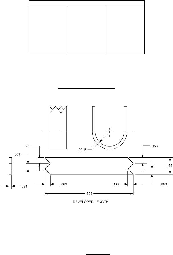
NOTES:
1. Material shall be steel, as rolled, condition no. 3 quarter hard temper, regular bright finish, in
accordance with QQ-S-698.
2. Finish shall be cadmium plate in accordance with SAE-AMS-QQ-P-416, type II, class C, or zinc
coat, .0002 inch thick, with chromate treatment, in accordance with ASTM B633.
3. Remove all burrs and sharp edges.
FIGURE 2. Collar, cable.
2