
INCH-POUND
MIL-DTL-641/6D
18 October 2013
SUPERSEDING
MIL-J-641/6C
03 July 1973
DETAIL SPECIFICATION SHEET
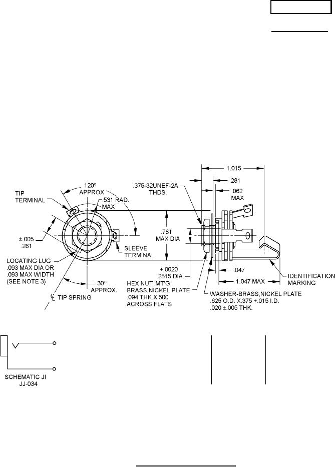
JACKS, TELEPHONE
TYPES JJ-034
This specification is approved for use by all Departments and
Agencies of the Department of Defense.
The requirements for acquiring the product described herein shall
consist of this specification sheet and MIL-DTL-641.
Inches
mm
Inches
mm
Inches
mm
.002
0.05
.093
2.36
.531
13.49
.005
0.13
.094
2.39
.625
15.88
.015
0.38
.2515
6.39
.781
19.84
.020
0.51
.281
7.14
1.015
25.78
.047
1.19
.375
9.53
1.047
26.59
.062
1.57
.500
12.70
1.125
28.58
NOTES:
1. Dimensions are in inches.
2. Metric equivalents are given for information only.
3. Jacks may be multiple mounted on a panel, with a 1.125 inch minimum distance allowed from center-to-center in
a circular direction.
4. Design of locating lug is optional.
FIGURE 1. Dimensions and configuration.
AMSC N/A
FSC 5935