
INCH-POUND
MIL-DTL-641/8E
8 November 2013
SUPERSEDING
MIL-J-641/8D
12 March 1982
DETAIL SPECIFICATION SHEET
JACKS, TELEPHONE
TYPES JJ-055
This specification is approved for use by all Departments and
Agencies of the Department of Defense.
The requirements for acquiring the product described herein shall
consist of this specification sheet and MIL-DTL-641.
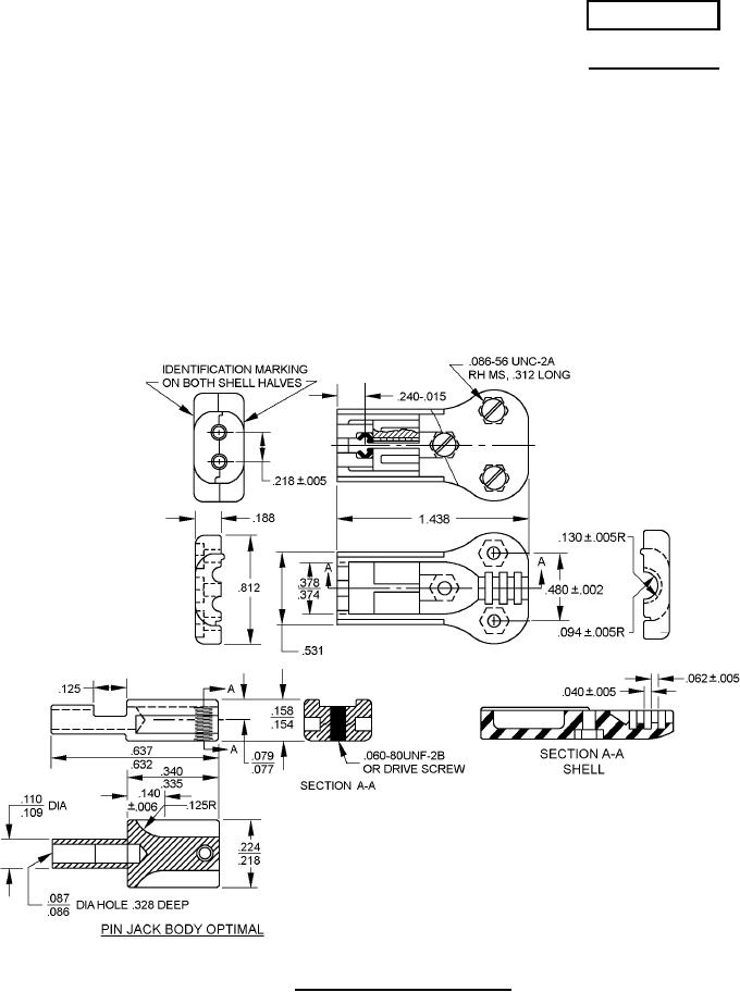
FIGURE 1. Dimensions and configuration.
AMSC N/A
FSC 5935