
INCH-POUND
MIL-DTL-641/9E
8 November 2013
SUPERSEDING
MIL-J-641/9D
03 July 1973
DETAIL SPECIFICATION SHEET
JACKS, TELEPHONE
TYPES JJ-079, JJ-081, JJ-082 and JJ-106
This specification is approved for use by all Departments and
Agencies of the Department of Defense.
The requirements for acquiring the product described herein shall
consist of this specification sheet and MIL-DTL-641.
Inches
mm
Inches
mm Inches
mm
.002
0.05
.156
3.96
.875
22.23
.005
0.13
.2515
6.39
.938
23.83
.015
0.38
.375
9.53 1.015
25.78
.016
0.41
.500
12.70 1.125
28.58
.020
0.51
.562
14.27 1.188
30.18
.031
0.79
.625
15.88 1.250
31.75
.062
1.57
.688
17.48 1.375
34.93
.094
2.39
.740
18.80 2.797
71.04
.125
3.18
.785
19.94
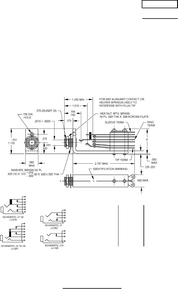
NOTES:
1. Dimensions are in inches.
2. Metric equivalents are given for information only.
3. Jacks may be multiple mounted on a panel in accordance with the minimum center-to-center dimensions
specified in table I.
4. Arrangement of contact spring lifters is optional.
FIGURE 1. Dimensions and configuration.
AMSC N/A
FSC 5935