emilspec
An Integrated Publishing, Inc. Site
eMilSpec
An Integrated Publishing Website
MIL-DTL-642-11 Plugs, Telephone \(Type Pj-636\)
Pages
1
-
2
-
3
-
4
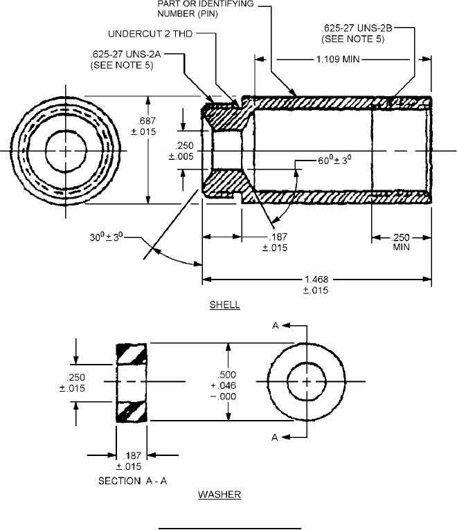
MIL-DTL-642/11C
FIGURE 1. Dimensions and configurations
- Continued.
2
For Parts Inquires submit RFQ to
Parts Hangar, Inc.
© Copyright 2015 Integrated Publishing, Inc.
A Service Disabled Veteran Owned Small Business