
INCH-POUND
MIL-DTL-642/12C
4 April 2014
SUPERSEDING
MIL-P-642/12B
11 February 1975
DETAIL SPECIFICATION SHEET
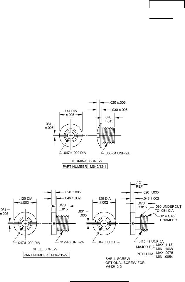
PLUGS, TELEPHONE, AND ACCESSORY SCREWS
(SCREWS, TERMINAL AND SHELL)
This specification is approved for use by all Departments and
Agencies of the Department of Defense.
The requirements for acquiring the product described herein shall consist of this
specification sheet and MIL-DTL-642.
FIGURE 1. Dimensions and configuration.
AMSC N/A
FSC 5935