
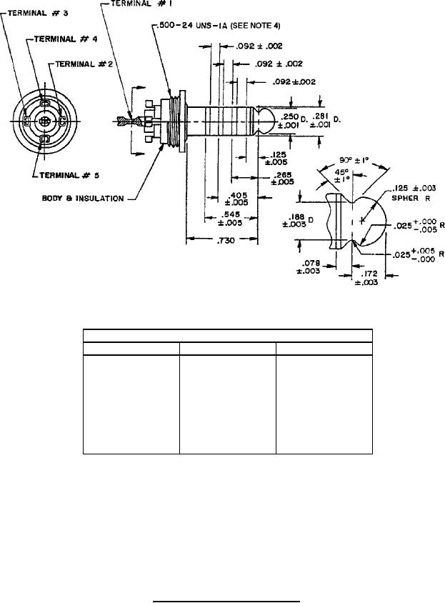
MIL-DTL-642/14B
Inch/mm conversion chart
Inches mm
Inches mm
Inches mm
.001
.02
.092
2.34
.281
7.14
.002
.05
.094
2.39
.405 10.29
.003
.08
.125
3.17
.500 12.70
.005
.13
.172
4.37
.545 13.84
.016
.41
.188
4.77
.562 14.28
.025
.64
.250
6.35
.625 15.88
.031
.79
.265
6.73
.730 18.54
.078 1.98
.272
6.91
2.188 55.58
NOTES:
1. Dimensions are in inches.
2. Metric equivalents are given for general information only.
3. Contact clearances are not cumulative.
4. Thread shall be in accordance with FED-STD-H28.
FIGURE 1. Dimensions and configurations - Continued.
2
For Parts Inquires submit RFQ to Parts Hangar, Inc.
© Copyright 2015 Integrated Publishing, Inc.
A Service Disabled Veteran Owned Small Business