
INCH-POUND
MIL-DTL-642/7B
20 June 2014
SUPERSEDING
MIL-P-642/7A
3 July 1973
DETAIL SPECIFICATION SHEET
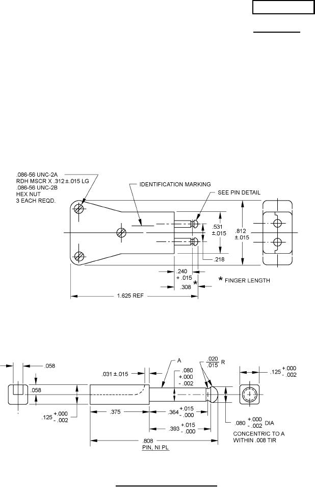
PLUGS, TELEPHONE (TYPE PJ-292)
AND ACCESSORY SCREWS
This specification is approved for use by all Departments and
Agencies of the Department of Defense.
The requirements for acquiring the product described herein shall consist of this
specification sheet and MIL-DTL-642.
FIGURE 1. Dimensions and configuration.
AMSC N/A
FSC 5935