
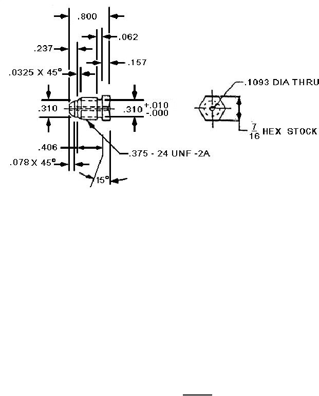
MIL-DTL-83413/4D
Inches
mm
Inches
mm
.0325
0.83
.237
6.02
.062
1.57
.310
7.87
.078
1.98
.375
9.53
.1093
2.78
.406
10.31
.150
3.81
.800
20.32
NOTES:
1. Dimensions are in inches.
2. Metric equivalents are given for information only.
3. Unless otherwise specified, tolerance is ± .016 (.41mm) for decimals and ± 0.5 for angles.
o
FIGURE 2. End cap.
3
For Parts Inquires submit RFQ to Parts Hangar, Inc.
© Copyright 2015 Integrated Publishing, Inc.
A Service Disabled Veteran Owned Small Business