
INCH-POUND
MIL-DTL-83503/21D
21 July 2004
SUPERSEDING
MIL-C-83503/21C
17 June 1998
DETAIL SPECIFICATION SHEET
CONNECTORS, ELECTRICAL, FLAT CABLE, NONENVIRONMENTAL,
HEADER, STRAIGHT THRU (.100 INCH SPACING) WITH POLARIZING FEATURE
SOLDERLESS WRAPPOST OR PWB TERMINATION
This specification is approved for use by all Departments
and Agencies of the Department of Defense.
The requirements for acquiring the product described herein shall consist of this specification sheet and
MIL-DTL-83503.
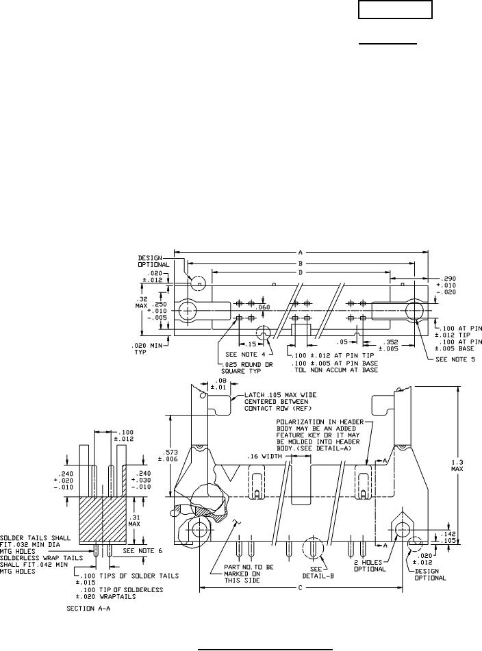
FIGURE 1. Dimensions and configuration.
AMSC N/A
FSC 5935
For Parts Inquires submit RFQ to Parts Hangar, Inc.
© Copyright 2015 Integrated Publishing, Inc.
A Service Disabled Veteran Owned Small Business