
INCH POUND
MIL-DTL-83513/14D
6 March 2009
SUPERSEDING
MIL-DTL-83513/14C
20 September 2002
DETAIL SPECIFICATION SHEET
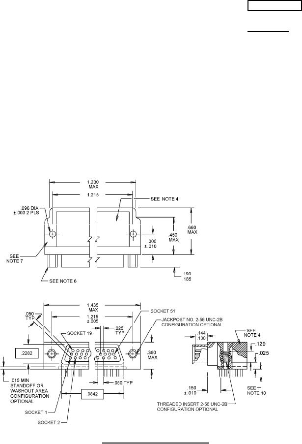
CONNECTORS, ELECTRICAL, RECTANGULAR, RECEPTACLE, MICROMINIATURE,
POLARIZED SHELL, RIGHT ANGLE, SOCKET CONTACTS, 3 ROW, SOLDER TYPE,
NARROW PROFILE, 51 CONTACTS, PRINTED CIRCUIT BOARD
This specification is approved for use by all Departments and
Agencies of the Department of Defense.
The requirements for acquiring the product described herein
shall consist of this specification sheet and MIL-DTL-83513.
FIGURE 1. Connector, receptacle, .050 spacing.
AMSC N/A
FSC 5935
For Parts Inquires submit RFQ to Parts Hangar, Inc.
© Copyright 2015 Integrated Publishing, Inc.
A Service Disabled Veteran Owned Small Business