
INCH-POUND
MIL-DTL-83513/15E
6 March 2009
SUPERSEDING
MIL-DTL-83513/15D
14 July 2004
DETAIL SPECIFICATION SHEET
CONNECTORS, ELECTRICAL, RECTANGULAR, RECEPTACLE, MICROMINIATURE,
POLARIZED SHELL, RIGHT ANGLE, SOCKETS CONTACTS, 4 ROW, SOLDER TYPE,
NARROW PROFILE, 100 CONTACTS, PRINTED CIRCUIT BOARD
This specification is approved for use by all Departments and
Agencies of the Department of Defense.
The requirements for acquiring the product described herein shall
consist of this specification sheet and MIL-DTL-83513.
Inches
mm
Inches
mm
Inches
mm
Inches
mm
Inches
mm
Inches
mm
.003
0.80
.025
0.64
.130
3.30
.200
5.08
.590
14.99
1.825
46.36
.005
0.13
.050
1.27
.144
3.66
.2712
6.888
1.010
25.65
2.175
55.25
.010
0.25
.109
2.77
.175
4.45
.400
10.16
1.3842
35.159
.015
0.38
.125
3.18
.185
4.70
.420
10.67
1.800
45.72
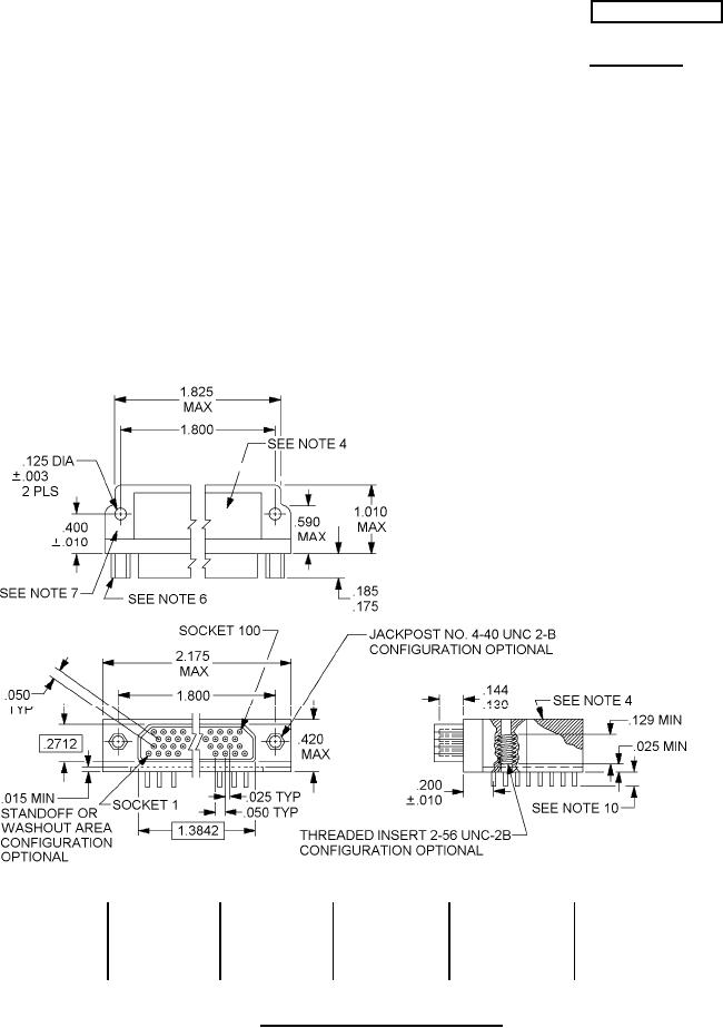
FIGURE 1. Connector, receptacle, .050 spacing.
AMSC N/A
FSC 5935