
INCH-POUND
MIL-DTL-83513/19D
18 March 2009
SUPERSEDING
MIL-DTL-83513/19C
27 February 2003
DETAIL SPECIFICATION SHEET
CONNECTORS, ELECTRICAL, RECTANGULAR, RECEPTACLE, MICROMINIATURE,
POLARIZED SHELL, RIGHT ANGLE, SOCKET CONTACTS, 2 ROW, SOLDER TYPE,
STANDARD PROFILE, 9 THROUGH 37 CONTACTS, PRINTED CIRCUIT BOARD
This specification is approved for use by all Departments and
Agencies of the Department of Defense.
The requirements for acquiring the product described herein shall
consist of this specification sheet and MIL-DTL-83513.
mm
Inches
mm
Inches
mm
Inches
mm
Inches
mm
Inches
.003
0.08
.015
0.38
.0671
1.704
.144
3.66
.190
4.83
.0038
0.097
.025
0.64
.096
2.44
.150
3.81
.200
5.08
.005
0.13
.050
1.27
.125
3.18
.185
4.70
.325
8.26
.010
0.25
.05
1.3
.130
3.30
.1852
4.704
.465
11.81
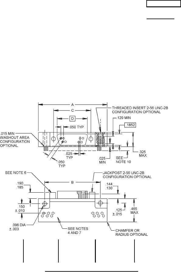
FIGURE 1. Connector, receptacle, 050 inch (1.27mm) spacing.
AMSC N/A
FSC 5935
For Parts Inquires submit RFQ to Parts Hangar, Inc.
© Copyright 2015 Integrated Publishing, Inc.
A Service Disabled Veteran Owned Small Business