
INCH-POUND
MIL-DTL-83513/23D
18 March 2009
SUPERSEDING
MIL-DTL-83513/23C
27 February 2003
DETAIL SPECIFICATION SHEET
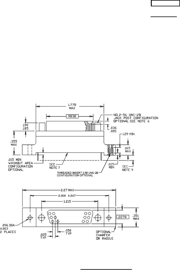
CONNECTORS, ELECTRICAL, RECTANGULAR, PLUG, MICROMINIATURE,
POLARIZED SHELL, STRAIGHT, PIN CONTACTS, 3 ROW, SOLDER TYPE,
51 CONTACTS, PRINTED CIRCUIT BOARD
This specification is approved for use by all Departments and
Agencies of the Department of Defense.
The requirements for acquiring the product described herein shall
consist of this specification sheet and MIL-DTL-83513.
Inches
mm
.003
0.08
.0038
0.097
.005
0.13
.015
0.38
.025
0.64
.036
0.91
.050
1.27
.0669
1.70
.096
2.44
.140
3.56
.165
4.19
.185
4.70
.190
4.83
.2278
5.786
.2712
6.888
.351
8.92
.355
9.02
.9838
24.989
1.215
30.86
1.775
45.09
2.000
50.80
2.27
57.66
FIGURE 1. Connector plug, .050 spacing.
AMSC N/A
FSC 5935
For Parts Inquires submit RFQ to Parts Hangar, Inc.
© Copyright 2015 Integrated Publishing, Inc.
A Service Disabled Veteran Owned Small Business