
INCH-POUND
MIL-DTL-83513/25D
18 March 2009
SUPERSEDING
MIL-DTL-83513/25C
27 February 2003
DETAIL SPECIFICATION SHEET
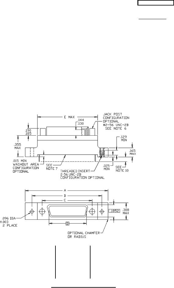
CONNECTORS, ELECTRICAL, RECTANGULAR, RECEPTACLE, MICROMINIATURE,
POLARIZED SHELL, STRAIGHT, SOCKET CONTACTS, 2 ROW , SOLDER TYPE,
9 THROUGH 37 CONTACTS, PRINTED CIRCUIT BOARD
This specification is approved for use by all Departments and
Agencies of the Department of Defense.
The requirements for acquiring the product described herein shall
consist of this specification sheet and MIL-DTL-83513.
Inches
mm
Inches
mm
Inches
mm
.003
0.08
.129
3.28
.1852
4.704
.0038
0.097
.130
3.30
.190
4.83
.015
0.38
.144
3.66
.308
7.83
.025
0.64
.150
3.81
.355
9.02
.0671
1.704
.165
4.19
.096
2.44
.185
4.70
FIGURE 1. Connector receptacle .050 spacing.
AMSC N/A
FSC 5935
For Parts Inquires submit RFQ to Parts Hangar, Inc.
© Copyright 2015 Integrated Publishing, Inc.
A Service Disabled Veteran Owned Small Business