
INCH-POUND
MIL-DTL-83513/27D
18 March 2009
SUPERSEDING
MIL-DTL-83513/27C
27 February 2003
DETAIL SPECIFICATION SHEET
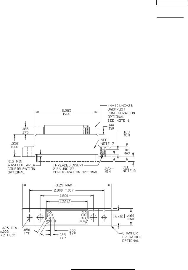
CONNECTORS, ELECTRICAL, RECTANGULAR, RECEPTACLE, MICROMINIATURE,
POLARIZED SHELL, STRAIGHT, SOCKET CONTACTS, 4 ROW, SOLDER TYPE,
100 CONTACTS, PRINTED CIRCUIT BOARD
This specification is approved for use by all Departments and
Agencies of the Department of Defense.
The requirements for acquiring the product described herein shall
consist of this specification sheet and MIL-DTL-83513.
Inches
mm
.003
0.08
.007
0.18
.0038
0.097
.0671
1.704
.015
0.38
.025
0.64
.050
1.27
.125
3.18
.129
3.28
.130
3.30
.144
3.66
.150
3.81
.175
4.44
.178
4.52
.185
4.70
.2712
6.888
.303
7.70
.325
8.26
.460
11.68
.550
13.97
1.3842
35.159
1.800
45.72
2.585
65.66
2.800
71.12
FIGURE 1. Connector, receptacle, .050 spacing.
AMSC N/A
FSC 5935