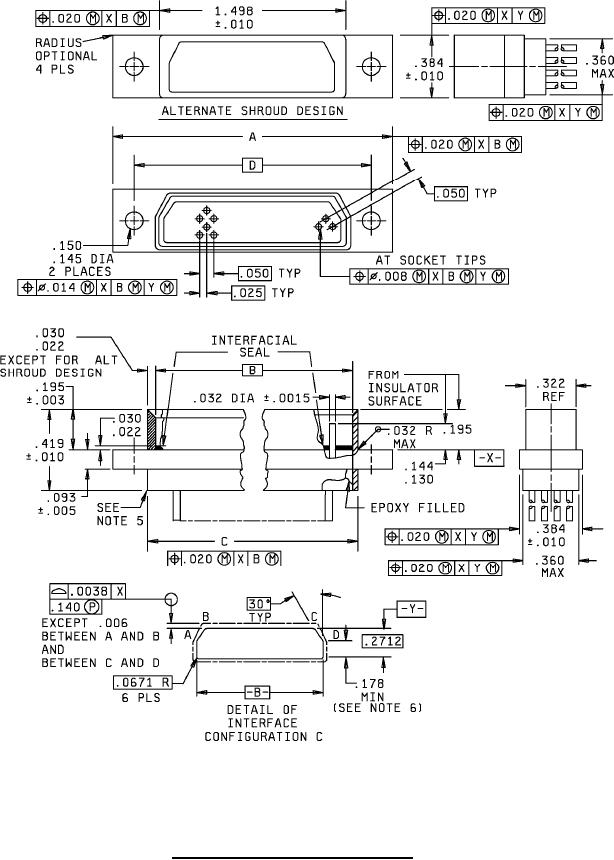
MIL-DTL-83513-4 Connectors, Electrical, Rectangular, Receptacle, Microminiature, Polarized Shell, Socket Contacts, Class M, Crimp Type