emilspec
An Integrated Publishing, Inc. Site
eMilSpec
An Integrated Publishing Website
MIL-DTL-83513-7 Connectors, Electrical, Rectangular, Receptacle, Microminiature, Polarized Shell, Socket Contacts, Class P, Solder Type
Pages
1
-
2
-
3
-
4
-
5
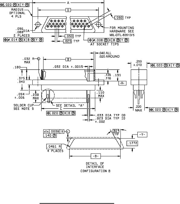
MIL-DTL-83513/7E
FIGURE 1 Connector, receptacle (.050 spacing)
- Continued.
2
For Parts Inquires submit RFQ to
Parts Hangar, Inc.
© Copyright 2015 Integrated Publishing, Inc.
A Service Disabled Veteran Owned Small Business