
INCH-POUND
MIL-DTL-83513/9F
22 March 2007
SUPERSEDING
MIL-DTL-83513/9E
25 June 2002
DETAIL SPECIFICATION SHEET
CONNECTORS, ELECTRICAL, RECTANGULAR, RECEPTACLE, MICROMINIATURE,
POLARIZED SHELL, SOCKET CONTACTS, CLASS P, CRIMP TYPE
This specification is approved for use by all Departments and Agencies of the Department of Defense.
The requirements for acquiring the product described herein shall consist of this specification sheet and
MIL-DTL-83513.
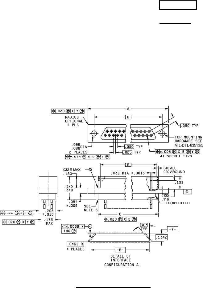
FIGURE 1. Connector, receptacle, .050 spacing.
AMSC N/A
FSC 5935
For Parts Inquires submit RFQ to Parts Hangar, Inc.
© Copyright 2015 Integrated Publishing, Inc.
A Service Disabled Veteran Owned Small Business