
INCH-POUND
MIL-DTL-83517/11A
31 May 2005
SUPERSEDING
MIL-C-83517/11
20 September 1982
DETAIL SPECIFICATION SHEET
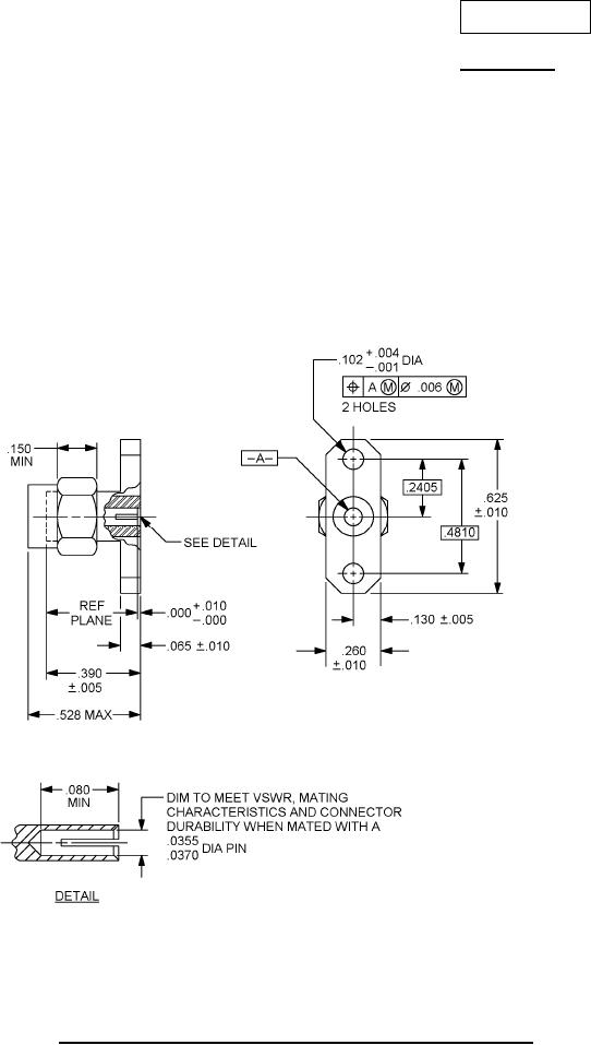
CONNECTOR, RECEPTACLES, ELECTRICAL, COAXIAL, RADIO FREQUENCY,
STRIP OR MICROSTRIP TRANSMISSION LINE,
SERIES SMA (PIN CONTACT, FLANGE MOUNTED)
This specification is approved for use by all Departments and Agencies of the Department of Defense.
The requirements for acquiring the product described herein shall consist of
this specification sheet and MIL-C-83517.
Inches
mm
.001
.03
.004
.10
.005
.13
.006
.15
.010
.25
.0355
.901
.0370
.940
.065
1.65
.080
2.03
.102
2.59
.130
3.30
.150
3.81
.2405
6.11
.260
6.60
.390
9.91
.4810
12.22
.528
13.41
NOTES:
.625
15.88
1. Dimensions are in inches.
2. Metric equivalents are given for information only.
3. All undimensioned pictorial configurations are for reference purposes only.
4. Number two screws are suggested for mounting.
FIGURE 1. Series SMA, pin contact, 2 hole (.260) flange mounted receptacle.
AMSC N/A
FSC 5935
For Parts Inquires submit RFQ to Parts Hangar, Inc.
© Copyright 2015 Integrated Publishing, Inc.
A Service Disabled Veteran Owned Small Business