
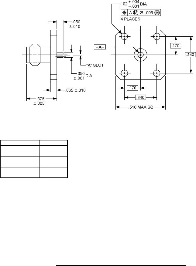
MIL-DTL-83517/3A
Inches
mm
Inches
mm
.001
.03
.028
.71
PIN
"A" dim.
.003
.08
.050
1.27
M83517/3-31004
.012 + .003
.004
.10
.065
1.65
- .001
.005
.13
.102
2.59
M83517/3-31005
.018 + .003
.006
.15
.170
4.32
- .001
.010
.25
.340
8.64
M83517/3-31006
.028 + .003
.012
.30
.375
9.53
- .001
.018
.46
.510
12.95
NOTES:
1. Dimensions are in inches.
2. Metric equivalents are given for information only.
3. All undimensioned pictorial configurations are for reference purposes only.
4. Number two screws are suggested for mounting.
FIGURE 2. Series SMA, socket contact, (4 hole) flange mounted receptacle.
2
For Parts Inquires submit RFQ to Parts Hangar, Inc.
© Copyright 2015 Integrated Publishing, Inc.
A Service Disabled Veteran Owned Small Business