
INCH-POUND
MIL-DTL-83517/4A
31 May 2005
SUPERSEDING
MIL-C-83517/4
20 September 1982
DETAIL SPECIFICATION SHEET
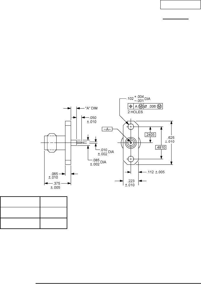
CONNECTOR, RECEPTACLE, ELECTRICAL, COAXIAL, RADIO FREQUENCY,
STRIP OR MICROSTRIP TRANSMISSION LINE,
SERIES SMA (SOCKET CONTACT, FLANGE MOUNTED EXTENDED DIELECTRIC)
This specification is approved for use by all Departments and Agencies of the Department of Defense.
The requirements for acquiring the product described herein shall consist of
this specification sheet and MIL-C-83517.
Inches
mm
Inches
mm
.001
.03
.065
1.65
Part or Identifying
"A" dim.
.002
.05
.085
2.16
Number (PIN)
.057 ± .003
.003
.08
.102
2.59
M83517/4-31001
.004
.10
.112
2.84
.005
.13
.125
3.18
.125 ± .003
M83517/4-31002
.006
.15
.223
5.66
.010
.25
.2405
6.109
.050
1.27
.375
9.53
.057
1.45
.4810
12.217
.625
15.88
NOTES:
1. Dimensions are in inches.
2. Metric equivalents are given for information only.
3. All undimensioned pictorial configurations are for reference purposes only.
4. Number two screws are suggested for mounting.
FIGURE 1. Series SMA, socket contact, (2 hole) flange mounted receptacle, extended dielectric.
AMSC N/A
FSC 5935
For Parts Inquires submit RFQ to Parts Hangar, Inc.
© Copyright 2015 Integrated Publishing, Inc.
A Service Disabled Veteran Owned Small Business