
INCH-POUND
MIL-DTL-83517/5A
31 May 2005
SUPERSEDING
MIL-C-83517/5
20 September 1982
DETAIL SPECIFICATION SHEET
CONNECTOR, RECEPTACLES, ELECTRICAL, COAXIAL, RADIO FREQUENCY,
STRIP OR MICROSTRIP TRANSMISSION LINE, SERIES SMA
(PIN CONTACT, FLANGE MOUNTED EXTENDED DIELECTRIC)
This specification is approved for use by all Departments and Agencies of the Department of Defense.
The requirements for acquiring the product described herein shall consist of
this specification sheet and MIL-C-83517.
Inches
mm
Inches
mm
.001
.03
.150
3.81
.002
.05
.162
4.11
.004
.10
.170
4.32
.005
.13
.330
8.38
.006
.15
.340
8.64
.010
.25
.390
9.91
.050
1.27
.490
12.45
.065
1.65
.510
12.95
.102
2.59
.528
13.41
.997
25.32
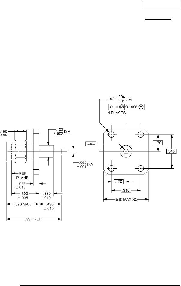
FIGURE 1. Series SMA, pin contact, (4 hole) flange mounted receptacle, extended dielectric.
AMSC N/A
FSC 5935
For Parts Inquires submit RFQ to Parts Hangar, Inc.
© Copyright 2015 Integrated Publishing, Inc.
A Service Disabled Veteran Owned Small Business