
INCH-POUND
MIL-DTL-83517/6A
31 May 2005
SUPERSEDING
MIL-C-83517/6
20 September 1982
DETAIL SPECIFICATION SHEET
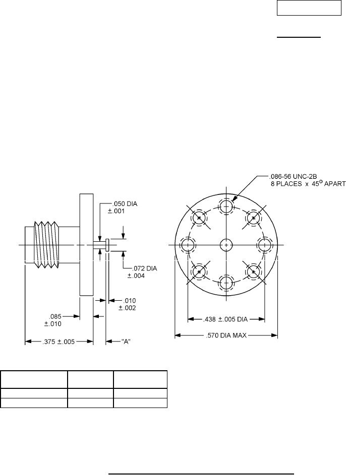
CONNECTOR, RECEPTACLES, ELECTRICAL, COAXIAL, RADIO FREQUENCY,
STRIP OR MICROSTRIP TRANSMISSION LINE,
SERIES SMA (SOCKET CONTACT, 8 HOLE SURFACE LAUNCH)
This specification is approved for use by all Departments and Agencies of the Department of Defense.
The requirements for acquiring the product described herein shall consist of
this specification sheet and MIL-C-83517.
Inches
mm
Inches
mm
.001
.03
.072
1.83
Part of Identifying
"A" dim.
Transmission
.002
.05
.085
2.16
Number (PIN)
line thickness
.060 ± .003
.003
.08
.086
2.18
M83517/6-31001
.125
.004
.10
.120
3.05
.120 ± .003
M83517/6-31002
.250
.005
.13
.125
3.18
.010
.25
250
6.35
.050
1.27
.375
9.53
.060
1.52
.438
11.13
.570
14.48
FIGURE 1. Series SMA, socket contact, surface launch, receptacle.
AMSC N/A
FSC 5935
For Parts Inquires submit RFQ to Parts Hangar, Inc.
© Copyright 2015 Integrated Publishing, Inc.
A Service Disabled Veteran Owned Small Business