
INCH-POUND
MIL-DTL-83517/8A
31 May 2005
SUPERSEDING
MIL-C-83517/8
20 September 1982
DETAIL SPECIFICATION SHEET
CONNECTOR, RECEPTACLES, ELECTRICAL, COAXIAL, RADIO FREQUENCY,
STRIP OR MICROSTRIP TRANSMISSION LINE,
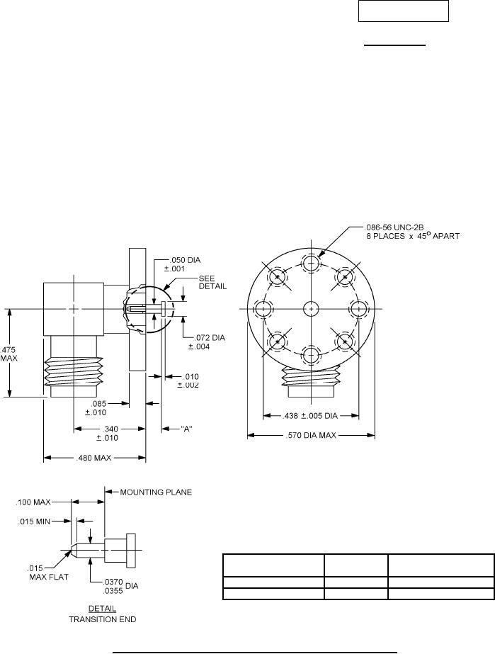
SERIES SMA (SOCKET CONTACT, 8 HOLE SURFACE LAUNCH RIGHT ANGLE)
This specification is approved for use by all Departments and Agencies of the Department of Defense.
The requirements for acquiring the product described herein shall
consist of this specification sheet and MIL-C-83517.
Part or Identifying
"A" dim.
Transmission
Number (PIN)
line thickness
M83517/7-31001
.060 ±.003
.125
M83517/7-31002
.120 ±.003
.250
FIGURE 1. Series SMA, socket contact, surface launch, right angle, receptacle.
AMSC N/A
FSC 5935
For Parts Inquires submit RFQ to Parts Hangar, Inc.
© Copyright 2015 Integrated Publishing, Inc.
A Service Disabled Veteran Owned Small Business