
METRIC
MIL-DTL-83538/10B
2 June 2008
SUPERSEDING
MIL-DTL-83538/10A
24 December 1998
DETAIL SPECIFICATION SHEET
CONNECTORS AND ACCESSORIES, ELECTRICAL, CIRCULAR, UMBILICAL,
BUSHING, CABLE, LAUNCHER RECEPTACLE FOR MIL-STD-1760 APPLICATIONS (METRIC)
This specification is approved for use by all Departments
and Agencies of the Department of Defense.
The requirements for acquiring the product described herein
shall consist of this specification sheet and MIL-DTL-83538.
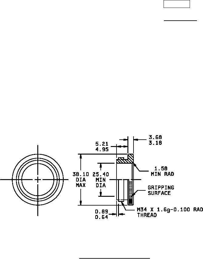
FIGURE 1. Cable bushing launcher receptacle.
AMSC N/A
FSC 5935
For Parts Inquires submit RFQ to Parts Hangar, Inc.
© Copyright 2015 Integrated Publishing, Inc.
A Service Disabled Veteran Owned Small Business