
METRIC
MIL-DTL-83538/6A
24 December 1998
SUPERSEDING
MIL-C-83538/6
14 November 1994
DETAIL SPECIFICATION SHEET
CONNECTORS AND ACCESSORIES, ELECTRICAL, CIRCULAR, UMBILICAL,
NUT, HEXAGON, STORE RECEPTACLE CONNECTOR MOUNTING,
FOR MIL-STD-1760 APPLICATIONS (METRIC)
This specification is approved for use by all Departments and Agencies of the Department of Defense.
The requirements for acquiring the product described herein shall
consist of this specification and MIL-DTL-83538.
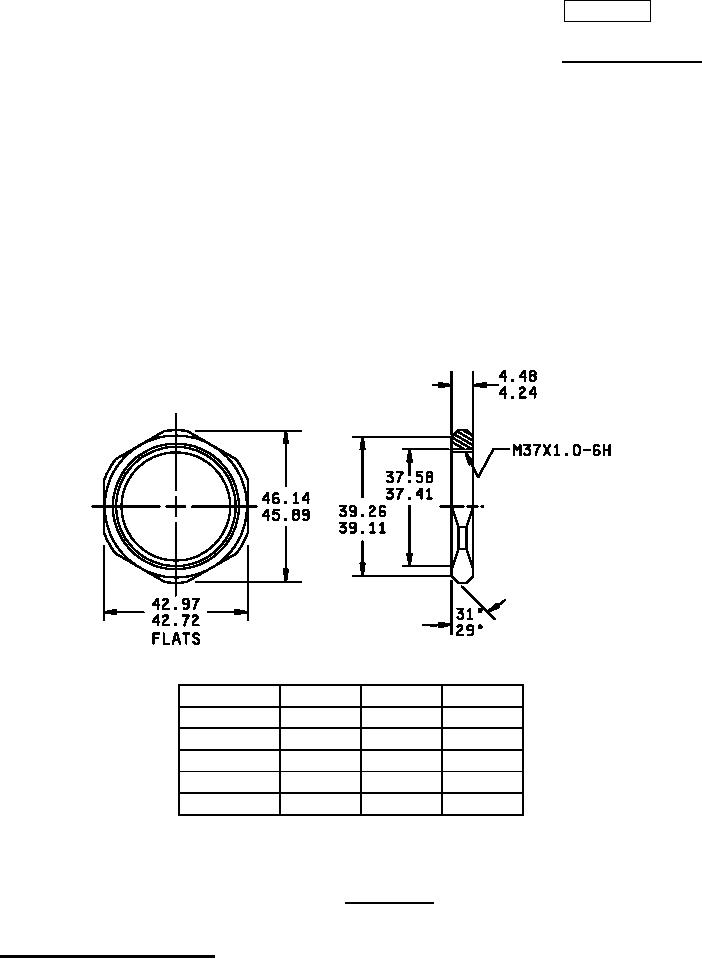
mm
Inches
mm
Inches
4.24
0.167
39.26
1.546
4.48
0.176
42.72
1.682
37.41
1.473
42.97
1.691
37.58
1.480
45.89
1.807
39.11
1.540
46.14
1.817
NOTES:
1. Dimensions are in millimeters.
2. Inch-pound equivalents are given for information only.
FIGURE 1. Nut, hexagon.
AMSC N/A
1 of 2
FSC 5935
DISTRIBUTION STATEMENT A. Approved for public release; distribution is unlimited.