
INCH-POUND
MIL-DTL-83723/35F
20 October 2000
SUPERSEDING
MIL-C-83723/35E
10 November 1988
DETAIL SPECIFICATION SHEET
CONNECTOR, ELECTRIC, BACKSHELL, STRAIGHT W/O STRAIN RELIEF,
AND WITH MECHANICAL STRAIN RELIEF, STRAIGHT OR RIGHT ANGLE
THREADED COUPLING SERIES II
INACTIVE FOR NEW DESIGN
This specification is approved for use by all Departments
and Agencies of the Department of Defense.
The requirements for acquiring the product described herein
shall consist of this specification and MIL-DTL-83723.
Inches
mm
.038
0.97
.042
1.07
.072
1.83
.25
6.35
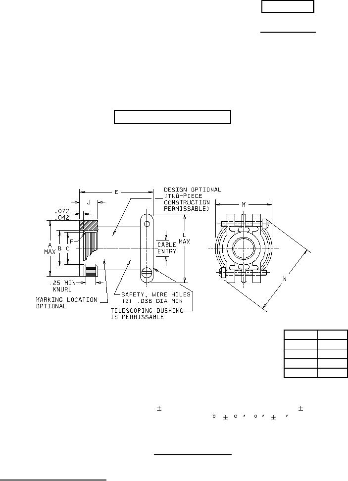
NOTES:
1. Dimensions are in inches.
2. Metric equivalents are given for general information only.
3. Unless otherwise specified, tolerances are .005 (0.13 mm) for three place decimals,
.010
(0.25 mm) for two place decimals, and angular tolerances X = 1 0 , X X = 30 .
4. Dimensions apply after plating.
5. Remove all burrs and sharp edges.
FIGURE 1. Type S - Straight clamp.
AMSC N/A
1 of 7
FSC 5935
DISTRIBUTION STATEMENT A. Approved for public release; distribution is unlimited.