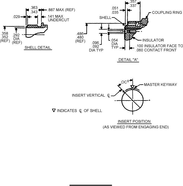
MIL-DTL-83723-37 Connector, Electrical, \(Circular, Environment Resisting\), Plug, \(Bayonet Coupling, Prewired, Socket Contact, \(Series I, Classes A, G, And R\), \(Shell Size 8 For Inserts 8-2, 8-3, And 8-4 Only\)