
INCH-POUND
MIL-DTL-83723/59D
29 June 2009
SUPERSEDING
MIL-C-83723/59C
17 December 1991
DETAIL SPECIFICATION SHEET
CONNECTORS, ELECTRICAL, (CIRCULAR, ENVIRONMENT RESISTING),
PROTECTIVE COVERS, PLUGS, (FOR MIL-DTL-26500 AND MIL-DTL-83723,
SERIES III, CLASSES A, M, R, T, W AND Z)
This specification is approved for use by all Departments
and Agencies of the Department of Defense.
The requirements for acquiring the product described herein
shall consist of this specification sheet and MIL-DTL-83723.
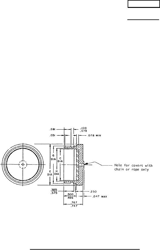
FIGURE 1. Protective cover, plug, threaded coupling M83723/59-1.
AMSC N/A
FSC 5935