emilspec
An Integrated Publishing, Inc. Site
eMilSpec
An Integrated Publishing Website
MIL-DTL-83723-60 Connectors, Electrical, \(Circular, Environment Resisting\), Protective Covers, Receptacles, \(For Mil-Dtl-26500 And Mil-Dtl-83723, Series Iii, Classes A, M, R, T, W And Z\)
Pages
1
-
2
-
3
-
4
-
5
-
6
-
7
MIL-DTL-83723/60E
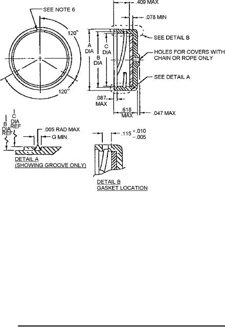
FIGURE
2. Protective cover, receptacles, bayonet coupling M83723/60-2.
3