
INCH-POUND
MIL-DTL-83723/65F
1 October 2010
SUPERSEDING
MIL-DTL-83723/65E
15 September 2006
DETAIL SPECIFICATION SHEET
CONNECTOR, ELECTRIC, (CIRCULAR, ENVIRONMENT RESISTING),
RECEPTACLE, (SINGLE HOLE MOUNT, BAYONET COUPLING, PIN CONTACT),
(SERIES III, CLASS H)
This specification is approved for use by all Departments
and Agencies of the Department of Defense.
The requirements for acquiring the product described herein
shall consist of this specification sheet and MIL-DTL-83723.
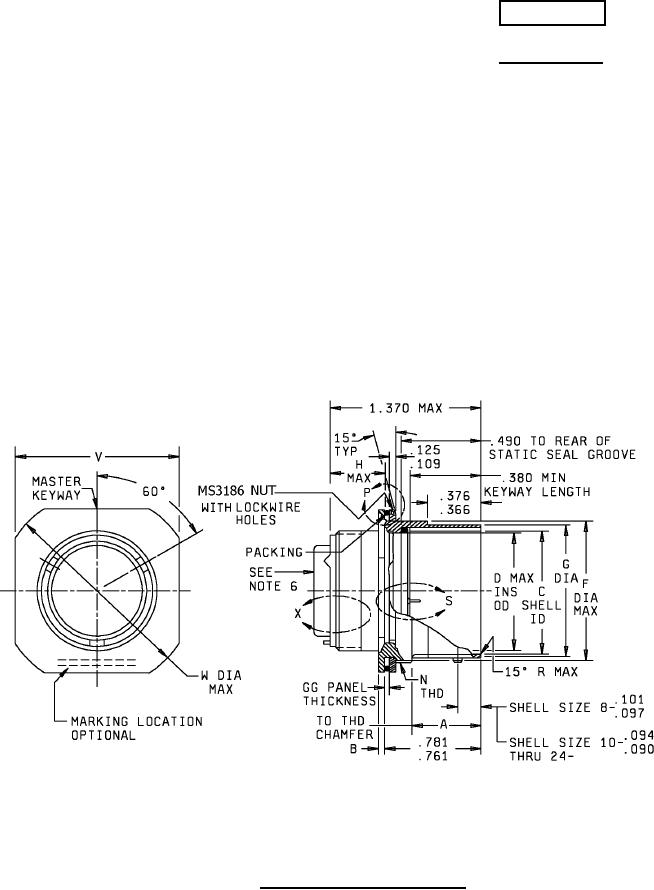
FIGURE 1. Dimensions and configurations.
AMSC N/A
FSC 5935
For Parts Inquires submit RFQ to Parts Hangar, Inc.
© Copyright 2015 Integrated Publishing, Inc.
A Service Disabled Veteran Owned Small Business