emilspec
An Integrated Publishing, Inc. Site
eMilSpec
An Integrated Publishing Website
MIL-DTL-83723-74 Connectors, Electric, \(Circular, Environment Resisting\), Receptacle, \(Single Hole Mount, Bayonet Coupling, Crimp Pin Contact\), \(Series Iii, Classes A, G, M, R, T, W And Z\)
Pages
1
-
2
-
3
-
4
-
5
-
6
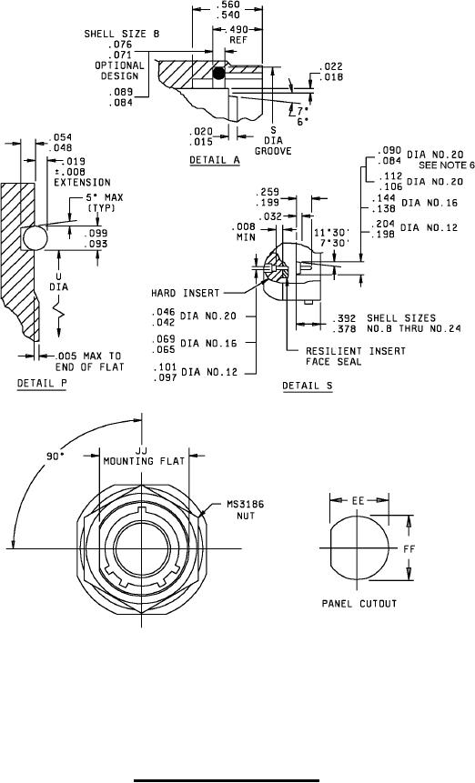
MIL-DTL-83723/74F
FIGURE
1. Dimensions and configurations - Continued.
2
For Parts Inquires submit RFQ to
Parts Hangar, Inc.
© Copyright 2015 Integrated Publishing, Inc.
A Service Disabled Veteran Owned Small Business