emilspec
An Integrated Publishing, Inc. Site
eMilSpec
An Integrated Publishing Website
MIL-DTL-83723-80 Connectors, Electrical, \(Circular, Environment Resisting\), Receptacle, \(Solder Or Weld Flange Mount, Bayonet Coupling, Solder Pin Contact\), \(Series Iii, Classes H, J, L, P And Y\)
Pages
1
-
2
-
3
-
4
-
5
-
6
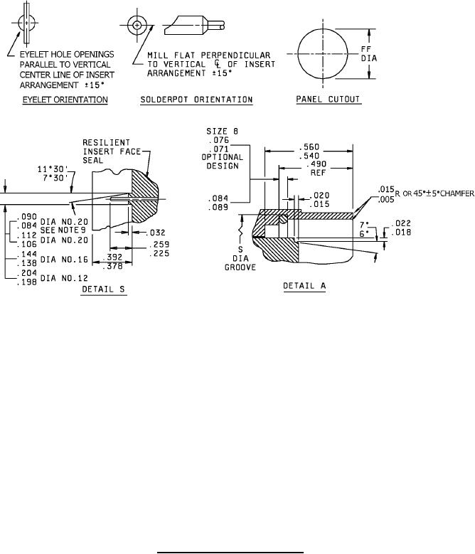
MIL-DTL-83723/80D
FIGURE 1. Dimensions and configurations
- Continued.
2
For Parts Inquires submit RFQ to
Parts Hangar, Inc.
© Copyright 2015 Integrated Publishing, Inc.
A Service Disabled Veteran Owned Small Business