
INCH-POUND
MIL-DTL-83723/85G
1 October 2009
SUPERSEDING
MIL-DTL-83723/85F
20 October 2000
DETAIL SPECIFICATION SHEET
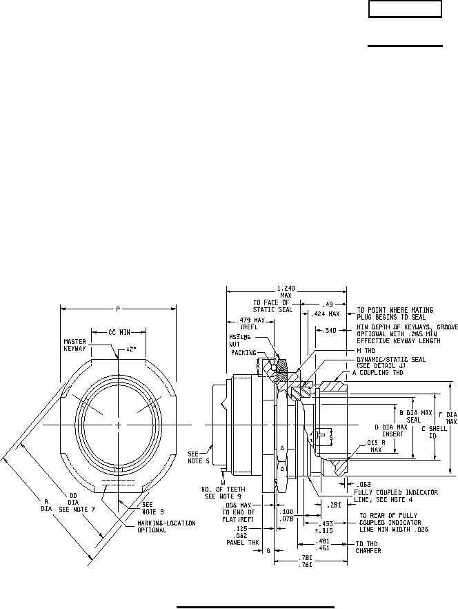
CONNECTORS, ELECTRICAL, (CIRCULAR, ENVIRONMENT RESISTING),
RECEPTACLE, (SINGLE HOLE MOUNT, THREADED COUPLING, CRIMP PIN CONTACT),
(SERIES III, CLASSES A, G, K, M, N, R, S, T, W AND Z)
This specification is approved for use by all Departments
and Agencies of the Department of Defense.
The requirements for acquiring the product described herein
shall consist of this specification sheet and MIL-DTL-83723.
FIGURE 1. Classes A, G, K, M, R, T, W and Z.
AMSC N/A
FSC 5935
For Parts Inquires submit RFQ to Parts Hangar, Inc.
© Copyright 2015 Integrated Publishing, Inc.
A Service Disabled Veteran Owned Small Business