
INCH-POUND
MIL-DTL-83723/92D
1 October 2009
SUPERSEDING
MIL-C-83723/92C
24 April 1992
DETAIL SPECIFICATION SHEET
CONNECTORS, ELECTRICAL, (CIRCULAR, ENVIRONMENT RESISTING),
PLUG, (RFI, THREADED COUPLING, CRIMP PIN CONTACT),
(SERIES III, CLASSES G, M, R, T, W AND Z)
This specification is approved for use by all Departments
and Agencies of the Department of Defense.
The requirements for acquiring the product described herein
shall consist of this specification sheet and MIL-DTL-83723.
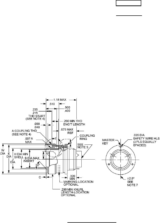
FIGURE 1. Dimensions and configurations.
AMSC N/A
FSC 5935
For Parts Inquires submit RFQ to Parts Hangar, Inc.
© Copyright 2015 Integrated Publishing, Inc.
A Service Disabled Veteran Owned Small Business