emilspec
An Integrated Publishing, Inc. Site
eMilSpec
An Integrated Publishing Website
MIL-DTL-83723-93 Connectors, Electrical, \(Circular, Environment Resisting\), Receptacle, \(Solder Or Weld Flange Mount, Bayonet Coupling, Straight Pin Contact\),\(Series Iii, Classes H And Y\)
Pages
1
-
2
-
3
-
4
-
5
-
6
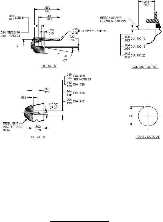
MIL-DTL-83723/93D
FIGURE 1. Dimensions and configurations
Continued.
2
For Parts Inquires submit RFQ to
Parts Hangar, Inc.
© Copyright 2015 Integrated Publishing, Inc.
A Service Disabled Veteran Owned Small Business