
INCH-POUND
MIL-DTL-83734/1E
24 September, 2001
SUPERSEDING
MIL-S-83734/1D
5 September 1986
DETAIL SPECIFICATION SHEET
SOCKETS, PLUG-IN ELECTRONIC COMPONENTS,
(FOR 6 PIN DUAL-IN-LINE PACKAGES)
This specification is approved for use by all Departments
and Agencies of the Department of Defense.
The requirements for acquiring the product described herein shall consist of this specification
and MIL-DTL-83734.
B
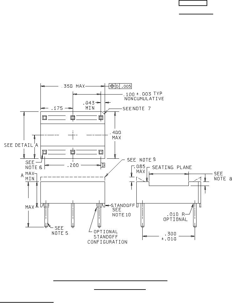
CONFIGURATION 1 (SOLID BODY WITHOUT MOUNTING HOLES)
FIGURE 1. Dimensions and configurations.
AMSC N/A
1 of 6
FSC 5935
DISTRIBUTION STATEMENT A. Approved for public release; distribution is unlimited.