
INCH-POUND
MIL-DTL-83734/10G
30 April 2007
SUPERSEDING
MIL-DTL-83734/10F
24 September 2001
DETAIL SPECIFICATION SHEET
SOCKETS, PLUG-IN ELECTRONIC COMPONENTS,
(FOR 40 PIN DUAL-IN-LINE PACKAGES)
This specification is approved for use by all Departments and Agencies of the Department of Defense.
The requirements for acquiring the product described herein shall consist of this specification and
MIL-DTL-83734.
B
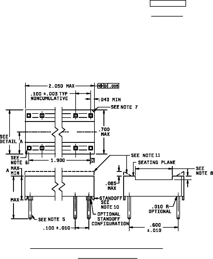
CONFIGURATION 1 (SOLID BODY WITHOUT MOUNTING HOLES)
FIGURE 1. Dimensions and configurations.
AMSC N/A
FSC 5935
For Parts Inquires submit RFQ to Parts Hangar, Inc.
© Copyright 2015 Integrated Publishing, Inc.
A Service Disabled Veteran Owned Small Business