emilspec
An Integrated Publishing, Inc. Site
eMilSpec
An Integrated Publishing Website
MIL-DTL-83734-15 Sockets, Plug-In Electronic Components, \(For 64 Pin Dual-In-Line Packages\)
Pages
1
-
2
-
3
-
4
-
5
-
6
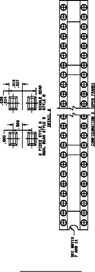
MIL-DTL-83734/15E
FIGURE
1. Dimensions and configuration - Continued.
2
For Parts Inquires submit RFQ to
Parts Hangar, Inc.
© Copyright 2015 Integrated Publishing, Inc.
A Service Disabled Veteran Owned Small Business