
INCH-POUND
MIL-DTL-83734/17A
24 September 2001
SUPERSEDING
MIL-S-83734/17
5 September 1986
DETAIL SPECIFICATION SHEET
SOCKETS, PLUG-IN ELECTRONIC COMPONENTS,
(FOR 32 PIN, DUAL-IN-LINE PACKAGES)
This specification is approved for use by all Departments
and Agencies of the Department of Defense.
The requirements for acquiring the product described herein shall consist of this specification
and MIL-DTL-83734.
A MIN
MAX
B MAX
STANDOFF CONFIGURATION
STYLE OPTIONAL
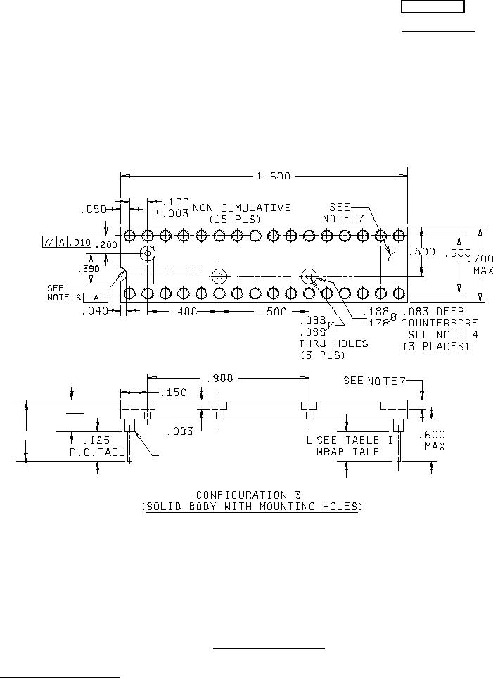
FIGURE 1. Dimensions and configuration.
AMSC N/A
1 of 3
FSC 5935
DISTRIBUTION STATEMENT A. Approved for public release; distribution is unlimited.