
MIL-DTL-9177C
Inches
mm
Inches
mm
.003
.08
.1495
3.797
.007
.18
.249
6.32
.010
.25
.251
6.38
.015
.38
.262
6.65
.029
.74
.266
6.76
.033
.84
.280
7.11
.0380
.965
.282
7.16
.0382
.970
.2885
7.328
.043
1.09
.2895
7.353
.044
1.12
.4385
11.138
.125
3.18
.4395
11.163
.1485
3.772
.600
15.24
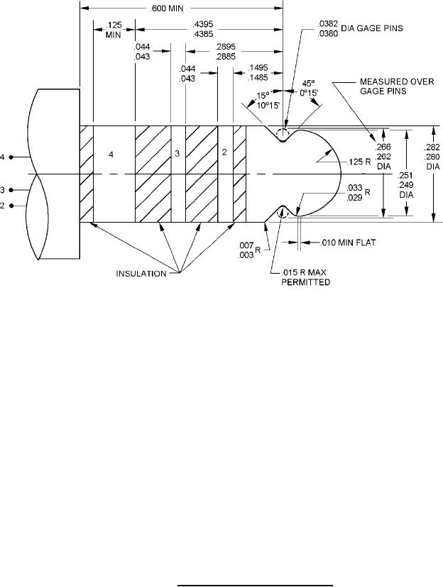
FIGURE 1. Contact mating position test plug.
5
For Parts Inquires submit RFQ to Parts Hangar, Inc.
© Copyright 2015 Integrated Publishing, Inc.
A Service Disabled Veteran Owned Small Business