
INCH-POUND
MIL-PRF-31031/11B
12 April 2004
SUPERSEDING
MIL-PRF-31031/11A
3 November 1998
PERFORMANCE SPECIFICATION
CONNECTOR, RECEPTACLE, ELECTRICAL, RADIO FREQUENCY, SERIES BMA, FLANGE MOUNT,
FOR SEMIRIGID CABLE, SOCKET CONTACT, HIGH RELIABILITY
This specification is approved for use by all Departments and Agencies of the Department of Defense.
The requirements for acquiring the product described herein shall consist of this specification sheet and
MIL-PRF-31031.
Inches
mm
Inches
mm
Inches
mm
3.18
.125
0.25
.010
0.00
.000
9.45
.372
0.51
.020
0.03
.001
9.53
.375
1.52
.060
0.08
.003
14.22
.560
1.65
.065
0.10
.004
19.05
.750
2.59
.102
0.13
.005
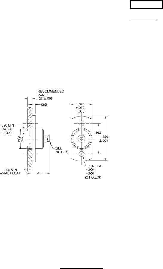
NOTES:
1. Dimensions are in inches.
2. Metric equivalents are given for information only.
3. Unless otherwise specified, all tolerances are ±.005 inch.
4. See table I for cable accommodation.
5. For dimension A see table I.
6. Dimension A defines the overall length of the connector when assembled to the cable.
FIGURE 1. General configuration.
AMSC N/A
FSC 5935
For Parts Inquires submit RFQ to Parts Hangar, Inc.
© Copyright 2015 Integrated Publishing, Inc.
A Service Disabled Veteran Owned Small Business