
INCH-POUND
MIL-PRF-31031/2A
12 April 2004
SUPERSEDING
MIL-PRF-31031/2
19 January 1995
PERFORMANCE SPECIFICATION SHEET
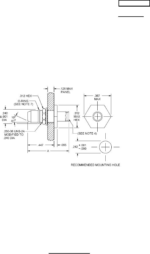
CONNECTOR, RECEPTACLE, ELECTRICAL, RADIO FREQUENCY, SERIES BMA, JAMNUT MOUNT,
FOR FLEXIBLE CABLE, PIN CONTACT, HIGH RELIABILITY
This specification is approved for use by all Departments and Agencies of the Department of Defense
The requirements for acquiring the product described herein shall consist of this specification sheet and
MIL-PRF-31031.
Inches
mm
Inches
mm
.242
.000
0.00
6.15
.250
.001
0.03
6.35
.312
1.65
.065
7.92
3.18
.362
.126
9.19
6.10
.240
.447
11.35
NOTES:
1. Dimensions are in inches.
2. Metric equivalents are given for information only.
3. Unless otherwise specified, all tolerances are ±.005 inch (0.13 mm).
4. See table I for cable accommodation.
5. For dimension A see table I.
6. Dimension A defines the overall length of the connector when assembled to the cable.
7. "O" rings are floursilicone in accordance with SAE-AMS-R-25988, class I, type I.
FIGURE 1. General configuration.
AMSC N/A
FSC 5935
For Parts Inquires submit RFQ to Parts Hangar, Inc.
© Copyright 2015 Integrated Publishing, Inc.
A Service Disabled Veteran Owned Small Business