
MIL-PRF-31031B
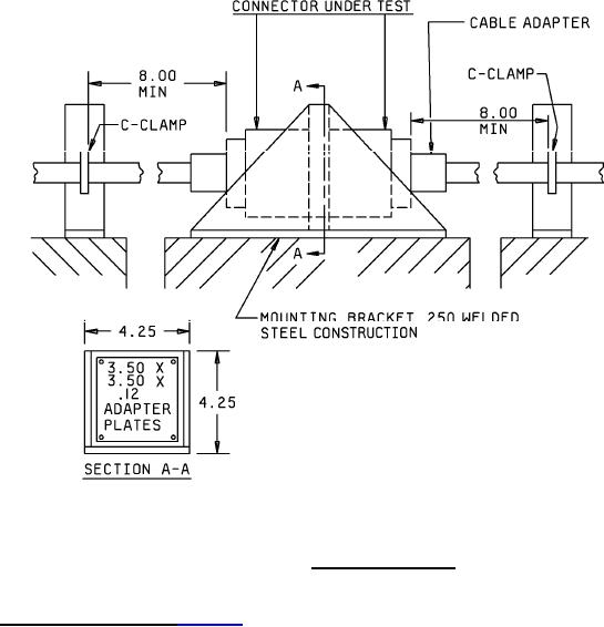
Inches
mm
.12
3.1
.250
6.35
3.50
88.9
4.25
107.9
8.00
203.2
NOTE: Dimensions are in inches.
FIGURE 3. Vibration test setup.
4.6.16 Shock (specified pulse)(see 3.19). The connector shall be mated with its mating connector (see
3.1) and subjected to test procedure EIA 364-27 condition G. The following details and exceptions shall
apply:
a. Receptacle and panel or buIkhead mounted connectors and adapters shall be mounted by normal
means. All other connectors and adapters shall be rigidly clamped to the vibration table.
b. Acceleration requirements (see 3.1).
c. Three blows in each of three mutually perpendicular planes; one of which shall be parallel to the
axis of the connector.
d. Continuity shall be monitored during shock as specified in 4.6.15b.
e. Center contact resistance shall be measured in accordance with 4.6.13 after the shock test.
26
For Parts Inquires submit RFQ to Parts Hangar, Inc.
© Copyright 2015 Integrated Publishing, Inc.
A Service Disabled Veteran Owned Small Business