
INCH-POUND
MIL-PRF-39012/128C
16 November 2011
SUPERSEDING
MIL-PRF-39012/128B
19 September 1989
PERFORMANCE SPECIFICATION SHEET
CONNECTORS, RECEPTACLE, ELECTRICAL, COAXIAL, RADIO FREQUENCY,
(SERIES BNC, SOLDER POCKET, SOCKET CONTACT
JAM NUT MOUNTED, ISOLATED, CLASS 2)
This specification is approved for use by all Departments
and Agencies of the Department of Defense.
The requirements for acquiring the product described herein shall
consist of this specification sheet and MIL-PRF-39012.
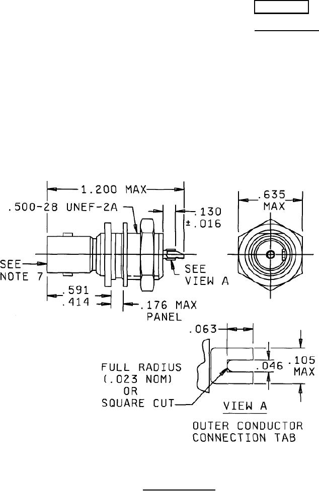
FIGURE 1. General configuration.
AMSC N/A
FSC 5935
For Parts Inquires submit RFQ to Parts Hangar, Inc.
© Copyright 2015 Integrated Publishing, Inc.
A Service Disabled Veteran Owned Small Business