
INCH-POUND
MIL-PRF-39012/22B
16 November 2006
SUPERSEDING
MIL-PRF-39012/22A
22 October 1969
PERFORMANCE SPECIFICATION SHEET
CONNECTORS, RECEPTACLES, ELECTRICAL, COAXIAL, RADIO FREQUENCY,
(SERIES BNC (UNCABLED), SOCKET CONTACT, FLANGE MOUNTED, CLASS 2)
This specification is approved for use by all Depart-
ments and Agencies of the Department of Defense.
The requirements for acquiring the product described herein shall consist of
this specification sheet and MIL-PRF-39012.
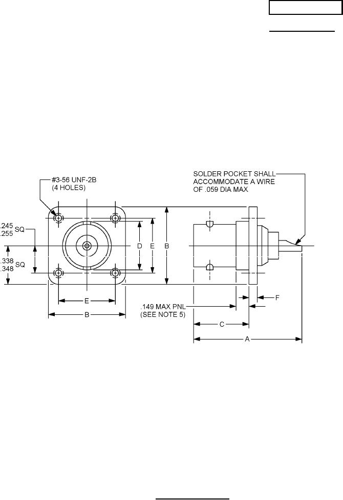
Inches
mm
1.50
.059
NOTES:
3.78
.149
1. Dimensions are in inches.
6.22
.245
2. For dimensions `A', `B', `C', `D'; `E' and `F', see table I.
6.48
.255
3. Metric equivalents are given for information only.
8.59
.338
4. All undimensioned pictorial representations are for reference purposes
8.84
.348
only.
5. Receptacle recommended for component part use and for use on panels with a .078 inch (1.98
mm) maximum thickness.
6. Bayonet studs and edges of flange shall be within 3° of the orientation shown.
7. Interface shall be in accordance with MIL-STD-348, socket contact.
8. There shall be a solid barrier in the socket between the pin entry and the solder pocket to prevent
solder wicking.
FIGURE 1. General configuration.
AMSC N/A
FSC 5935
For Parts Inquires submit RFQ to Parts Hangar, Inc.
© Copyright 2015 Integrated Publishing, Inc.
A Service Disabled Veteran Owned Small Business