
INCH-POUND
MIL-PRF-39012/23B
16 November 2006
SUPERSEDING
MIL-PRF-39012/23A
22 October 1969
PERFORMANCE SPECIFICATION SHEET
CONNECTORS, RECEPTACLES, ELECTRICAL, COAXIAL, RADIO FREQUENCY,
(SERIES BNC (UNCABLED), SOCKET CONTACT, RIGHT ANGLE, CLASS 2)
This specification is approved for use by all Depart-
ments and Agencies of the Department of Defense.
The requirements for acquiring the product described herein shall consist of
this specification sheet and MIL-PRF-39012.
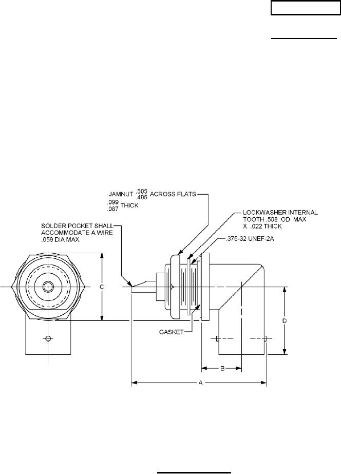
FIGURE 1. General configuration.
AMSC N/A
FSC 5935
For Parts Inquires submit RFQ to Parts Hangar, Inc.
© Copyright 2015 Integrated Publishing, Inc.
A Service Disabled Veteran Owned Small Business