
MIL-PRF-39012/26H
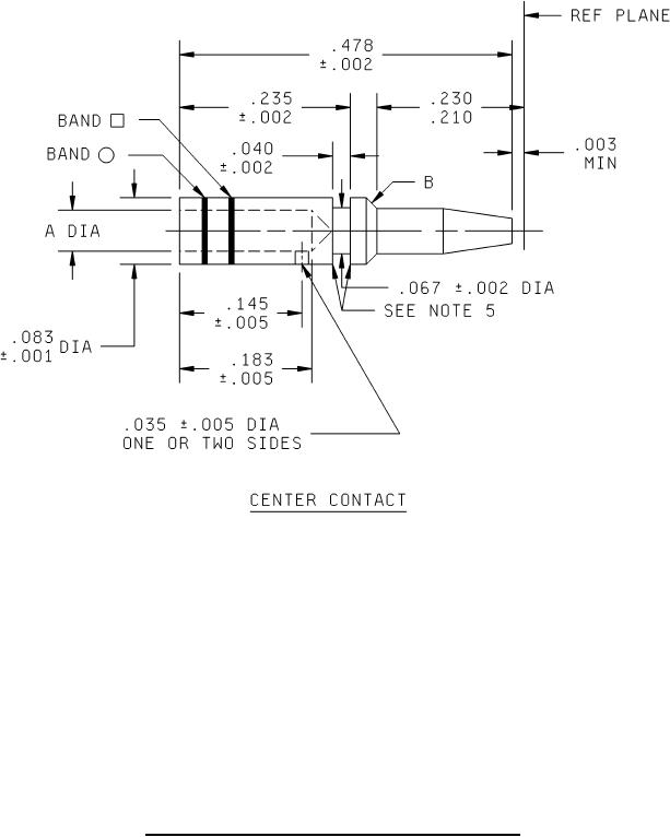
Inches
mm
Inches
mm
Inches
mm
Inches
mm
.001
5.59
0.03
.033
0.84
.145
3.68
.220
,002
5.84
0.05
.035
0.89
.175
4.45
.230
.003
5.97
0.08
.040
1.02
.183
4.65
.235
.005
6.22
0.13
.043
1.09
.206
5.23
.245
.015
6.35
0.38
.067
1.70
.210
5.33
.250
.017
12.14
0.43
.083
2.11
.212
5.38
.478
.500
12.70
FIGURE 3. Contact and ferrule dimensions for category D only - Continued.
7
For Parts Inquires submit RFQ to Parts Hangar, Inc.
© Copyright 2015 Integrated Publishing, Inc.
A Service Disabled Veteran Owned Small Business