
MIL-PRF-39012/27H
Inches
mm
.002
0.05
.006
0.15
.010
0.25
.032
0.81
.036
0.91
.077
1.96
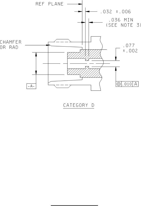
NOTES:
1. Dimensions are in inches.
2. Metric equivalents are given for information only.
3. Chamfer is optional.
4. All non-dimensioned pictorial configurations are for reference purposes only.
FIGURE 2. Category D captivation detail.
2
For Parts Inquires submit RFQ to Parts Hangar, Inc.
© Copyright 2015 Integrated Publishing, Inc.
A Service Disabled Veteran Owned Small Business